匠心 服務 創新 品質

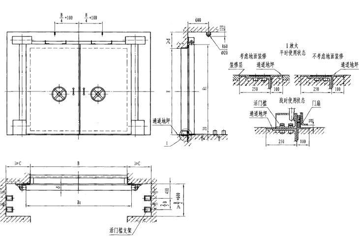
此類門的特點是平時不設門檻,地面平整,便于人員或車輛通行;戰時快速設置門檻,以滿足防護、密閉要求。

| 型號(一) | 門孔寬B | 門孔高H | 門扇厚δ | B1 | H1 | C | D |
|---|---|---|---|---|---|---|---|
| GHSFM2020(6) | 2000 | 2000 | 156 | 2240 | 2100 | 600 | 500 |
| GHSFM2021(6) | 2000 | 2100 | 156 | 2240 | 2200 | 600 | 400 |
| GHSFM2424(6) | 2400 | 2400 | 156 | 2640 | 2500 | 600 | 400 |
| GHSFM2425(6) | 2400 | 2500 | 156 | 2640 | 2600 | 600 | 400 |
| GHSFM2522(6) | 2500 | 2200 | 156 | 2740 | 2300 | 600 | 400 |
| GHSFM2525(6) | 2500 | 2500 | 156 | 2740 | 2600 | 600 | 500 |
| GHSFM2528(6) | 2500 | 2800 | 156 | 2740 | 2900 | 600 | 400 |
| GHSFM3022(6) | 3000 | 2200 | 156 | 3240 | 2300 | 700 | 500 |
| GHSFM3025(6) | 3000 | 2500 | 156 | 3240 | 2600 | 700 | 500 |
| GHSFM3028(6) | 3000 | 2800 | 156 | 3240 | 2900 | 600 | 500 |
| GHSFM3030(6) | 3000 | 3000 | 176 | 3240 | 3100 | 600 | 500 |
| GHSFM3225(6) | 3200 | 2500 | 156 | 3440 | 2600 | 700 | 500 |
| GHSFM3742(6) | 3400 | 2700 | 156 | 3740 | 2800 | 700 | 500 |
| GHSFM3525(6) | 3500 | 2500 | 156 | 3740 | 2600 | 700 | 500 |
| GHSFM3536(6) | 3500 | 3600 | 176 | 3740 | 3700 | 700 | 500 |
| GHSFM3538(6) | 3500 | 3800 | 176 | 3740 | 3900 | 700 | 500 |
| GHSFM3622(6) | 3600 | 2200 | 156 | 3840 | 2300 | 700 | 500 |
| GHSFM3625(6) | 3600 | 2200 | 156 | 3840 | 2300 | 700 | 500 |
| GHSFM3627(6) | 3600 | 2500 | 156 | 3840 | 2800 | 700 | 500 |
| GHSFM3630(6) | 3600 | 3000 | 176 | 3840 | 3100 | 700 | 500 |
| GHSFM3824(6) | 3800 | 2400 | 156 | 4040 | 2500 | 700 | 500 |
| GHSFM4021(6) | 4000 | 2100 | 152 | 4240 | 2200 | 700 | 500 |
| GHSFM4022(6) | 4000 | 2200 | 156 | 4240 | 2600 | 700 | 500 |
| GHSFM4025(6) | 4000 | 2500 | 156 | 4240 | 2600 | 700 | 500 |
| GHSFM4026(6) | 4000 | 2600 | 156 | 4240 | 2700 | 600 | 500 |
| GHSFM4028(6) | 4000 | 2800 | 156 | 4240 | 2900 | 600 | 500 |
| GHSFM4030(6) | 4000 | 3000 | 176 | 4240 | 3100 | 700 | 500 |
| GHSFM4033(6) | 4000 | 3300 | 176 | 4240 | 3400 | 700 | 500 |
| GHSFM4522(6) | 4500 | 2200 | 156 | 4740 | 2300 | 700 | 500 |
| GHSFM4525(6) | 4500 | 2500 | 156 | 4740 | 2600 | 700 | 500 |
| GHSFM4528(6) | 4500 | 2800 | 176 | 4740 | 2900 | 700 | 500 |
| GHSFM4530(6) | 4500 | 3000 | 176 | 4740 | 3100 | 700 | 500 |
| GHSFM4825(6) | 4800 | 2500 | 156 | 5040 | 2600 | 700 | 500 |
| GHSFM4830(6) | 4800 | 3000 | 176 | 5040 | 3100 | 700 | 500 |
| GHSFM5021(6) | 5000 | 2100 | 156 | 5240 | 2200 | 700 | 500 |
| GHSFM5022(6) | 5000 | 2200 | 156 | 5240 | 2300 | 700 | 500 |
| GHSFM5023(6) | 5000 | 2300 | 156 | 5240 | 2400 | 700 | 500 |
| GHSFM5025(6) | 5000 | 2500 | 156 | 5240 | 2600 | 700 | 500 |
| GHSFM5028(6) | 5000 | 2800 | 176 | 5240 | 2900 | 700 | 500 |
| GHSFM5030(6) | 5000 | 3000 | 176 | 5240 | 3100 | 700 | 500 |
| GHSFM5035(6) | 5000 | 3500 | 176 | 5240 | 3600 | 700 | 500 |
| GHSFM5039(6) | 5000 | 3500 | 176 | 5240 | 4000 | 700 | 500 |
| GHSFM5528(6) | 5500 | 3000 | 176 | 5740 | 2900 | 700 | 500 |
| GHSFM5530(6) | 5500 | 3000 | 176 | 5740 | 3100 | 700 | 500 |
| GHSFM6020(6) | 6000 | 2000 | 152 | 6240 | 2100 | 700 | 500 |
| GHSFM6022(6) | 6000 | 2200 | 156 | 6240 | 2100 | 700 | 500 |
| GHSFM6025(6) | 6000 | 2500 | 156 | 6240 | 2600 | 700 | 500 |
| GHSFM6027(6) | 6000 | 2700 | 176 | 6240 | 2800 | 700 | 500 |
| GHSFM6028(6) | 6000 | 2800 | 176 | 6240 | 2900 | 700 | 500 |
| GHSFM6030(6) | 6000 | 3000 | 176 | 6240 | 3100 | 700 | 500 |
| GHSFM6043(6) | 6000 | 4300 | 216 | 6240 | 4400 | 700 | 500 |
| GHSFM6528(6) | 6500 | 2800 | 176 | 6740 | 2900 | 700 | 500 |
| GHSFM6530(6) | 6500 | 3000 | 176 | 6740 | 3100 | 700 | 500 |
| GHSFM7022(6) | 7000 | 2200 | 156 | 7240 | 2300 | 700 | 500 |
| GHSFM7025(6) | 7000 | 2500 | 156 | 7240 | 2600 | 700 | 500 |
| GHSFM7026(6) | 7000 | 2600 | 156 | 7240 | 2700 | 700 | 500 |
| GHSFM7028(6) | 7000 | 2800 | 156 | 7240 | 2900 | 700 | 500 |